应用方案
Solution-
【 微信扫码咨询 】
- 0512-6603 8633
江苏倍嘉力机械科技有限公司,依托多年在设备,模具,工装,自动化,金属成形等领域成熟经验,成功向多家外资以及上市公司,提供了金属成形,特别是铝合金成形的成套解决方案。随着铝合金锻件应用和需求的不断增加,而品质好的锻造产能,长期处于严重不足的状态。倍嘉力于2017年开始,依托自身成熟的技术储备,开始涉足锻件的批量生产。
产品链接:【官网】苏州卡斯图电子有限公司-显微镜设备丨显微镜研发 (kstopt.com)

倒置金相显微镜
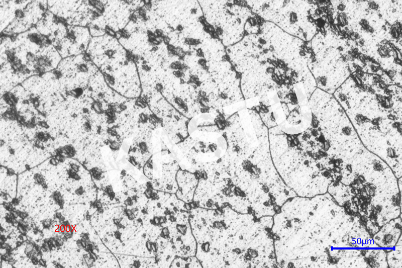
苏州卡斯图电子有限公司此次为江苏倍嘉力机械科技有限公司提供的光学仪器是AE2000MET金相显微镜以及配套的金相分析软件。此套设备应用于客户的铸造铝合金金相分析。

AE2000MET
按照主要合金化元素的种类,可以铸造铝合金分成四大类:
1、 铝-硅系合金,也叫硅铝明,有良好的铸造工艺性能和耐磨性能,是当前工业领域应用很广泛的铸造铝合金,有时添加适量的铜和镁,能提高合金的力学性能和耐热性。常用来制造活塞等零件。
2、 铝-铜系合金,该系合金有高的强度和热稳定性,但铸造性和耐蚀性差。由于铜的存在使合金容易出现晶间腐蚀和应力腐蚀开裂倾向。
3、 铝-镁系合金,抗腐蚀性能好
4、 铝-锌系合金,为改善性能常加入硅、镁元素,常称为“锌硅铝明”。该系铝合金一个显著的优点是无须淬火,铸造后可以通过人工时效或者自然时效进行强化,具有较好的机械性能。

金相分析仪

晶粒度分析
在铸造铝合金生产中,常采用加入微量元素进行变质处理的方法来改善并细化组织,消除铸造缺陷。变质处理对提高铝合金的强度、硬度及伸长率,改善其冲击韧性及热稳定性具有重要作用和意义。钠、钾、锑、锶、硫、磷、砷、稀土元素等纯金属及盐类都对铝合金有一定变质作用。

微信二维码
网站二维码