Motic K500系列体视显微镜有合适的模块设计和超过420lp/mm的分辨率,宽大舒适的工作平台,具有可调节亮度12V/10w入射光源和透射光源。麦克奥迪平行光体视显微镜K500在激光制造、刀具等行业畅销多年。
全国服务热线:0512-6603 8633
在线咨询K系列体视显微镜的模块化设计和超过420lp/mm的分辨率。
标准机型
K-400L体视显微镜

头部
双目倾斜45°
双目视度补偿
瞳距调节范围:54mm-76mm
镜体
6X、12X、25X、50X四档变倍
标准1.0X消色差物镜
V型导轨与钢球组合的调焦机构,保证调焦灵活舒适、稳定可靠
可调角度的入射光照明系统,配带反光碗12V/10W卤素灯
底座
宽大舒适的工作平台
具有可调节亮度的12V/10W入射光源和透射光源
可单独或者同时使用入射光源或透射光源
超宽电压输入的开关电源(100V-240V),确保在每一地方的正常使用
目镜
超大视场10X/23目镜一对
眼罩
便于观察的护眼罩一对

K-500L体视显微镜
头部
双目倾斜45°
双目视度补偿
瞳距调节范围: 54mm-76mm
镜体
6.4X、10X、16X、25X、40X五档变倍
标准1.0X消色差物镜
V型导轨与钢球组合的调焦机构,保证调焦灵活舒适、稳定 可靠
可调角度的入射光照明系统,配带反光碗12V/10W卤素灯
底座
宽大舒适的工作平台
具有可调节亮度的12V/10W入射光源和透射光源
可单独或者同时使用入射光源或透射光源
超宽电压输入的开关电源(100V-240V),确保在每一地方的正常使用
目镜
超大视场10X/23目镜一对
眼罩
便于观察的护眼罩一对

K-700L连续体视显微镜
头部
双目倾斜45°
双目视度补偿
瞳距调节范围:54mm-76mm
镜体
ZOOM 1:5.2(6X-31X )连续变倍
标准1.0X平场物镜
V型导轨与钢球组合的调焦机构,保证调焦灵活舒适、稳定可靠
可调角度的入射光照明系统,配带反光碗12V/10W卤素灯
底座
宽大舒适的工作平台
具有可调节亮度的12V/10W入射光源和透射光源
可单独或者同时使用入射光源或透射光源
超宽电压输入的开关电源(100V-240V),确保在每一地方的正常使用
目镜
超大视场10X/23目镜一对
眼罩
便于观察的护眼罩一对

K系列体视显微镜可提供多种可选附件,必有一款适合您。
镜体
K-400HS
不带入射光的镜体+头部+目镜
K-400HB
带工业托架的镜体(专用连接器)+头部+目镜
K-500HS
不带入射光的镜体+头部+目镜
K-500HB
带工业托架的镜体(专用连接器)+头部+目镜
K-700HS
不带入射光的镜体+头部+目镜
K-700HB
带工业托架的镜体(专用连接器)+头部+目镜
目镜
广角目镜 W5X (FN23)
广角目镜 6.25X (FN23)
广角目镜 10X (FN21)
广角目镜 15X (FN17)
广角目镜 20X (FN13)
广角目镜 W30X (FN8)
广角目镜 32X (FN8)

测微目镜
10X测微目镜,360° : 10°
10X 测微目镜,14mm : 0.2mm
10X测微目镜,14mm : 0.1mm (带十字线)
20X测微目镜,10mm : 0.1mm (带十字线)
15X测微目镜,360° : 10°
15X 测微目镜,14mm : 0.2mm
15X测微目镜,14mm : 0.1mm (带十字线)
护眼罩

<备注:该护眼罩不适用于10X/23超大视场目镜〉
暗场照明器
该暗场照明器安装在底座的工作台板孔内,通过该种特殊照明,由透射光源直接产生的照明光线不会进入成像物镜内,从而使标本获得更高的衬度,以便于观察特殊标本,如纤维等不易观察的物体。

检焦镜
检焦用的专用目镜。
、
物镜保护器
该物镜保护器直接套在大物镜或附加物镜的下端部,以保护显微镜的在恶劣条件下使用时,不会损坏显微镜的大物镜或附加物镜。

滑动载物台
该载物台安装在底座的工作台板孔内,既可作任意方向的移动,又可作360°转动,更易于观察微小标本。

物镜与附加物镜
IX平场大物镜
超长自由工作距离110mm
<备注:该平场大物镜仅适用于K-400,且不能配垂直照明器>
0.3X附加物镜(WD240)
0.5X附加物镜(WD150)
0.625X 附加物镜(WD115)
1.5X附加物镜(WD42)
2.0X附加物镜(WD24)
<备注:上述附加物镜适用于K-700或K-400、K-500配1X消色差物镜>
0.3X附加物镜(WD305)
0.5X附加物镜(WD185)
0.625X 附加物镜(WD152)
1.5X附加物镜(WD55)
2.0X附加物镜(WD39)
<备注:上述附加物镜适用于K-400配1X平场大物镜〉

独立偏光器
该独立偏光器安装在底座的工作台板孔内。
起偏器可作360°旋转。
检偏器既可作360°旋转,又可摆出光路。

组合偏光器
该组合偏光器的起偏器安装在底座的工作台板孔内,而检偏器套在显微镜镜体的大物镜或附加物镜外面。
起偏器与检偏器均可作360°旋转。
偏光器主要是利用显微放大原理和偏振光干涉原理,对透明或非透明的矿物、非均质体等薄片标本进行光学性质的观察与测定,从而使显微镜获得更广范围的应用。

描绘仪
K-400描绘仪
K-500、K-700描绘仪
用于将观察者所看到的标本形状,在纸面上描绘记录下来。

讨论镜
DSK-500 讨论镜
DSK-700Z 讨论镜
可供两人同时观察,视场内置光标指示箭头,该箭头既可移动,也可转动,可以很方便地指示观察者感兴趣的目标,以供讨论研究。


摄影系统
K-400 摄影系统 可配置:
转像器
摄影接筒
摄影目镜
摄影接头
K-500、K-700 摄影系统可配置:
转像器
摄影接筒
摄影目镜
摄影接头
摄像系统
K-400 摄像系统
配置:
转像器
摄像接头*
K-500、K-700 摄像系统
配置:
转像器
摄像接头*
可选摄像接头
可选摄像街头
200万像素 分辨率:1600×1200
300万像素 分辨率:2048×1536
500万像素 分辨率:2592×1944

<此摄像系统可以配置所有M OTICA M系列数码摄像系统和其他外置的CCD。详细资料请参阅M OTIC数码产品样本。〉
垂直照明器
冷光源垂直照明器
该垂直照明器通过单头软光纤,将外部光源(需另购MLC-150 冷光源)直接导入垂直照明器内部。该垂直照明器本身不会发 热,而且保证有足够的亮度。
单头软光纤
<备注:该附件不适用于K-700>
冷光源照明器
MLC-150C冷光源照明器
额定电压输入:AC110V/AC220V(手动转换)±15%, 灯泡采用21V/150W高亮度卤素灯。
光纤选择如下:
环形光纤
硬管式单管光纤
硬管式双管光纤

环形荧光灯
220V/12W 高亮度环形荧光灯,可直接固定在大物镜或附加物镜的下端。

可选底座与支架
底座
平底座
该底座不配上、下光源。

工业镜架底座组

摆动架
( 配方形底座 + 调焦机构连接头 )
垂直立柱直径:32mm
调焦立柱直径:32mm
垂直立柱长度:400mm,选酉己600mm

摆动架
( 配台夹式底座 + 调焦机构连接头 )
垂直立柱直径: 32mm
调焦立柱直径: 32mm
可夹持台板厚度 75mm
垂直立柱长度:400mm,选配600mm

双轨移动架
( 配方形底座 + 调焦机构连接头 )
垂直立柱直径:32mm
调焦立柱直径:32mm
垂直立柱长度:400mm,选配600mm

双轨移动架
( 配台夹式底座 + 调焦机构连接头 )
垂直立柱直径: 32mm
调焦立柱直径: 32mm
可夹持台板厚度MAX75mm
垂直立柱长度:400mm,选配600mm

单轨移动架
( 配方形底座 + 调焦机构连接头 )
底座长度: 300mm
底座宽度: 300mm
水平移动范围: 400mm
立柱高:400mm,选酉己600mm
垂直立柱直径: 32mm
调焦立柱直径: 32mm

单轨移动架
( 配方形底座 )
底座长度: 300mm
底座宽度: 300mm
水平移动范围: 400mm
立柱高:400mm,选配600mm
垂直立柱直径: 32mm
调焦立柱直径: 32mm
可直接配工业镜架

手动式移动工作台
台板面积:450mm x 350mm
台板X向行程:410mm
台板Y向行程:220mm
变倍体支撑架可以做前后左右摆动,
以满足从不同的侧面观察物体的要求

单轨移动架
( 配圆形底座 + 调焦机构连接头 )
底座直径: 300mm
立柱高:400mm,选配600mm
水平移动范围: 260mm
垂直立柱直径: 32mm
调焦立柱直径: 32mm
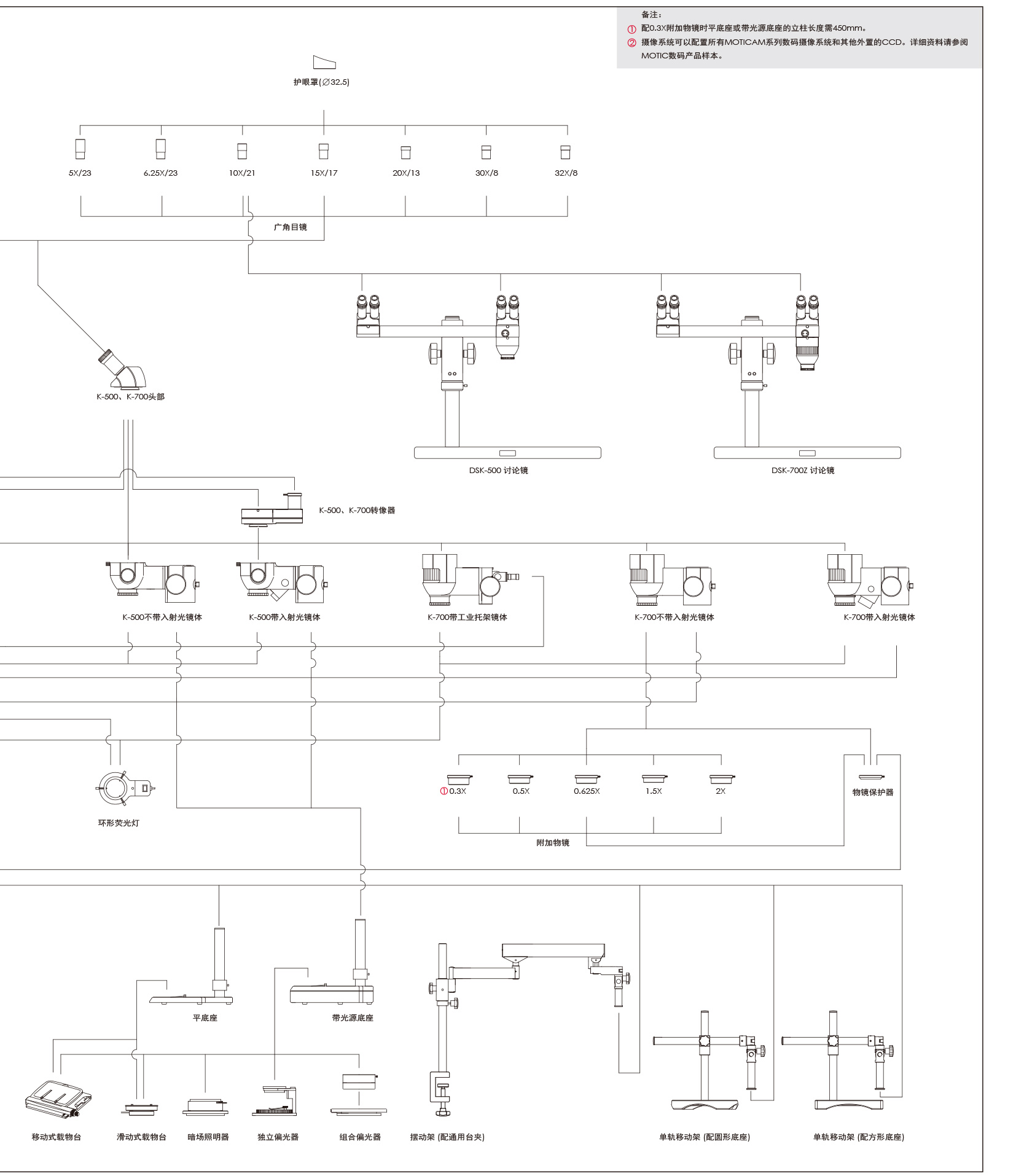
K-400、K-500、K-700系统配置图



K-400体视显微镜光学参数
目镜 | 倍率档位 | 标准物镜1.0x | 平场物镜1.0x | 附加物镜(配标准1x大物镜使用) | |||||||||||
0.3x | 0.5x | 0.625x | 1.5x | 2x | |||||||||||
工作距离89mm | 工作距离110mm | 工作距离240mm | 工作距离150mm | 工作距离115mm | 工作距离42mm | 工作距离24mm | |||||||||
标称倍率 | 总放大倍率(x) | 视场直径(mm) | 总放大倍率(x) | 视场直径(mm) | 总放大倍率(x) | 视场直径(mm) | 总放大倍率(x) | 视场直径(mm) | 总放大倍率(x) | 视场直径(mm) | 总放大倍率(x) | 视场直径(mm) | 总放大倍率(x) | 视场直径(mm) | |
5x/23 | 6.0 | 3.0 | 38.3 | 3.0 | 38.3 | 0.9 | 127.8 | 1.5 | 76.7 | 1.9 | 61.3 | 4.5 | 25.6 | 6 | 19.2 |
12.0 | 6.0 | 19.2 | 6.0 | 19.2 | 1.8 | 63.9 | 3.0 | 38.3 | 3.8 | 30.7 | 9.0 | 12.8 | 12 | 9.6 | |
25.0 | 12.5 | 9.2 | 12.5 | 9.2 | 3.8 | 30.7 | 6.3 | 18.4 | 7.8 | 14.7 | 18.8 | 6.1 | 25 | 4.6 | |
50.0 | 25.0 | 4.6 | 25.0 | 4.6 | 7.5 | 15.3 | 12.5 | 9.2 | 15.6 | 7.4 | 37.5 | 3.1 | 50 | 2.3 | |
6.25x/23 | 6.0 | 3.8 | 38.3 | 3.8 | 38.3 | 1.1 | 127.8 | 1.9 | 76.7 | 2.3 | 61.3 | 5.6 | 25.6 | 7.5 | 19.2 |
12.0 | 7.5 | 19.2 | 7.5 | 19.2 | 2.3 | 63.9 | 3.8 | 38.3 | 4.7 | 30.7 | 11.3 | 12.8 | 15 | 9.6 | |
25.0 | 15.6 | 9.2 | 15.6 | 9.2 | 4.7 | 30.7 | 7.8 | 18.4 | 9.8 | 14.7 | 23.4 | 6.1 | 31.3 | 4.6 | |
50.0 | 31.3 | 4.6 | 31.3 | 4.6 | 9.4 | 15.3 | 15.6 | 9.2 | 19.5 | 7.4 | 46.9 | 3.1 | 62.5 | 2.3 | |
10x/23 | 6.0 | 6.0 | 38.3 | 6.0 | 38.3 | 1.8 | 127.8 | 3.0 | 76.7 | 3.8 | 61.3 | 9.0 | 25.6 | 12 | 19.2 |
12.0 | 12.0 | 19.2 | 12.0 | 19.2 | 3.6 | 63.9 | 6.0 | 38.3 | 7.5 | 30.7 | 18.0 | 12.8 | 24 | 9.6 | |
25.0 | 25.0 | 9.2 | 25.0 | 9.2 | 7.5 | 30.7 | 12.5 | 18.4 | 15.6 | 14.7 | 37.5 | 6.1 | 50 | 4.6 | |
50.0 | 50.0 | 4.6 | 50.0 | 4.6 | 15.0 | 15.3 | 25.0 | 9.2 | 31.3 | 7.4 | 75.0 | 3.1 | 100 | 2.3 | |
15x/23 | 6.0 | 9.0 | 28.3 | 9.0 | 28.3 | 2.7 | 94.4 | 4.5 | 56.7 | 5.6 | 45.3 | 13.5 | 18.9 | 18 | 14.2 |
12.0 | 18.0 | 14.2 | 18.0 | 14.2 | 5.4 | 47.2 | 9.0 | 58.3 | 11.3 | 22.7 | 27.0 | 9.4 | 36 | 7.1 | |
25.0 | 37.5 | 6.8 | 37.5 | 6.8 | 11.3 | 22.7 | 18.8 | 13.6 | 23.4 | 10.9 | 56.3 | 4.5 | 75 | 3.4 | |
50.0 | 75.0 | 3.4 | 75.0 | 3.4 | 22.5 | 11.3 | 37.5 | 6.8 | 46.9 | 5.4 | 112.5 | 2.3 | 150 | 1.7 | |
20x/23 | 6.0 | 12.0 | 21.7 | 12.0 | 21.7 | 3.6 | 72.2 | 6.0 | 43.3 | 7.5 | 34.7 | 18.0 | 14.4 | 24 | 10.8 |
12.0 | 24.0 | 10.8 | 24.0 | 10.8 | 7.2 | 36.1 | 12.0 | 21.7 | 15.0 | 17.3 | 36.0 | 7.2 | 48 | 5.4 | |
25.0 | 50.0 | 5.2 | 50.0 | 5.2 | 15.0 | 17.3 | 25.0 | 10.4 | 31.3 | 8.3 | 75.0 | 3.5 | 100 | 2.6 | |
50.0 | 10.0 | 2.6 | 10.0 | 2.6 | 30.0 | 8.7 | 50.0 | 5.2 | 62.5 | 4.2 | 150.0 | 1.7 | 200 | 1.3 | |
30x/23 | 6.0 | 18.0 | 13.3 | 18.0 | 13.3 | 5.4 | 44.4 | 9.0 | 26.7 | 11.3 | 21.3 | 27.0 | 8.9 | 36 | 6.7 |
12.0 | 36.0 | 6.7 | 36.0 | 6.7 | 10.8 | 22.2 | 18.0 | 13.3 | 22.5 | 10.7 | 54.0 | 4.4 | 72 | 3.3 | |
25.0 | 75.0 | 3.2 | 75.0 | 3.2 | 22.5 | 10.7 | 37.5 | 6.4 | 46.9 | 5.1 | 112.5 | 2.1 | 150 | 1.6 | |
50.0 | 150.0 | 1.6 | 150.0 | 1.6 | 45.0 | 5.3 | 75.0 | 3.2 | 93.8 | 2.6 | 225.0 | 1.1 | 300 | 0.8 | |
32x/23 | 6.0 | 19.2 | 13.3 | 19.2 | 13.3 | 5.8 | 44.4 | 9.6 | 26.7 | 12.0 | 21.3 | 28.8 | 8.9 | 38.4 | 6.7 |
12.0 | 38.4 | 6.7 | 38.4 | 6.7 | 11.5 | 22.2 | 19.2 | 13.3 | 24.0 | 10.7 | 57.6 | 4.4 | 76.8 | 3.3 | |
25.0 | 80.0 | 3.2 | 80.0 | 3.2 | 54.0 | 10.7 | 40.0 | 6.4 | 50.0 | 5.1 | 120.0 | 2.1 | 160 | 1.6 | |
50.0 | 160.0 | 1.6 | 160.0 | 1.6 | 48.0 | 5.3 | 80.0 | 3.2 | 100.0 | 2.6 | 240.0 | 1.1 | 320 | 0.8 | |
K-500体视显微镜光学参数
目镜 | 倍率档位 | 标准物镜1.0x | 平场物镜1.0x | 附加物镜(配标准1x大物镜使用) | |||||||||||
0.3x | 0.5x | 0.625x | 1.5x | 2x | |||||||||||
工作距离89mm | 工作距离110mm | 工作距离240mm | 工作距离150mm | 工作距离115mm | 工作距离42mm | 工作距离24mm | |||||||||
标称倍率 | 总放大倍率(x) | 视场直径(mm) | 总放大倍率(x) | 视场直径(mm) | 总放大倍率(x) | 视场直径(mm) | 总放大倍率(x) | 视场直径(mm) | 总放大倍率(x) | 视场直径(mm) | 总放大倍率(x) | 视场直径(mm) | 总放大倍率(x) | 视场直径(mm) | |
5x/23 | 6.4 | 3.2 | 35.9 | - | - | 1.0 | 119.8 | 1.6 | 71.9 | 2.0 | 57.5 | 4.8 | 24.0 | 6.4 | 18.0 |
10.0 | 5.0 | 23.0 | - | - | 1.5 | 76.7 | 2.5 | 46.0 | 3.1 | 36.8 | 7.5 | 15.3 | 10.0 | 11.5 | |
16.0 | 8.0 | 14.4 | - | - | 2.4 | 47.9 | 4.0 | 28.8 | 5.0 | 23 | 12.0 | 9.6 | 16.0 | 7.2 | |
25.0 | 12.5 | 9.2 | - | - | 3.8 | 30.7 | 6.3 | 18.4 | 7.8 | 14.7 | 18.8 | 6.1 | 25.0 | 4.6 | |
40.0 | 20.0 | 5.8 | - | - | 6.0 | 19.2 | 10.0 | 11.5 | 12.5 | 9.2 | 30.0 | 3.8 | 40.0 | 2.9 | |
6.25x/23 | 6.4 | 4.0 | 35.9 | - | - | 1.2 | 119.8 | 2.0 | 71.9 | 2.5 | 57.5 | 6.0 | 24.0 | 8.0 | 18.0 |
10.0 | 6.3 | 23.0 | - | - | 1.9 | 76.7 | 3.1 | 46.0 | 3.9 | 36.8 | 9.4 | 15.3 | 12.5 | 11.5 | |
16.0 | 10.0 | 14.4 | - | - | 3.0 | 47.9 | 5.0 | 28.8 | 6.3 | 23 | 15.0 | 9.6 | 20.0 | 7.2 | |
25.0 | 15.6 | 9.2 | - | - | 4.7 | 30.7 | 7.8 | 18.4 | 9.8 | 14.7 | 23.4 | 6.1 | 31.3 | 4.6 | |
40.0 | 25.0 | 5.8 | - | - | 7.5 | 19.2 | 12.5 | 11.5 | 15.6 | 8.2 | 37.5 | 3.8 | 50.0 | 2.9 | |
10x/23 | 6.4 | 6.4 | 35.9 | - | - | 1.9 | 119.8 | 3.2 | 71.9 | 4.0 | 57.5 | 9.6 | 24.0 | 12.8 | 18.0 |
10.0 | 10.0 | 23.0 | - | - | 3.0 | 76.7 | 5.0 | 46.0 | 6.3 | 36.8 | 15.0 | 15.3 | 20.0 | 11.5 | |
16.0 | 16.0 | 14.4 | - | - | 4.8 | 47.9 | 8.0 | 28.8 | 10.0 | 23 | 24.0 | 9.6 | 32.0 | 7.2 | |
25.0 | 25.0 | 9.2 | - | - | 7.5 | 30.7 | 12.5 | 18.4 | 15.6 | 14.7 | 37.5 | 6.1 | 50.0 | 4.6 | |
40.0 | 40.0 | 5.8 | - | - | 12.0 | 19.2 | 20.0 | 11.5 | 25.0 | 9.2 | 60.0 | 3.8 | 80.0 | 2.9 | |
15x/23 | 6.4 | 9.6 | 26.6 | - | - | 2.9 | 88.5 | 4.8 | 53.1 | 6.0 | 42.5 | 14.4 | 17.7 | 19.2 | 13.3 |
10.0 | 15.0 | 17.0 | - | - | 4.5 | 56.7 | 7.5 | 34.0 | 9.4 | 27.2 | 22.5 | 11.3 | 30.0 | 8.5 | |
16.0 | 24.0 | 10.6 | - | - | 7.2 | 35.4 | 12.0 | 21.3 | 15.0 | 17 | 36.0 | 7.1 | 48.0 | 5.3 | |
25.0 | 37.5 | 6.8 | - | - | 11.3 | 22.7 | 18.8 | 13.6 | 23.4 | 10.9 | 56.3 | 4.5 | 75.0 | 3.4 | |
40.0 | 60.0 | 4.3 | - | - | 18.0 | 14.2 | 30.0 | 8.5 | 37.5 | 6.8 | 90.0 | 2.8 | 12.0 | 2.1 | |
20x/23 | 6.4 | 12.8 | 20.3 | - | - | 3.8 | 67.7 | 6.4 | 40.6 | 8.0 | 32.5 | 19.2 | 13.5 | 25.6 | 10.2 |
10.0 | 20.0 | 13.0 | - | - | 6.0 | 43.3 | 10.0 | 26.0 | 12.5 | 20.8 | 30.0 | 8.7 | 40.0 | 6.5 | |
16.0 | 32.0 | 8.1 | - | - | 9.6 | 27.1 | 16.0 | 16.3 | 20.0 | 13 | 48.0 | 5.4 | 64.0 | 4.1 | |
25.0 | 50.0 | 5.2 | - | - | 15.0 | 17.3 | 25.0 | 10.4 | 31.3 | 8.3 | 75.0 | 3.5 | 100.0 | 2.6 | |
40.0 | 80.0 | 3.3 | - | - | 24.0 | 10.8 | 40.0 | 6.5 | 50.0 | 5.2 | 120.0 | 2.2 | 160.0 | 1.6 | |
30x/23 | 6.4 | 19.0 | 12.5 | - | - | 5.8 | 41.7 | 9.6 | 25.0 | 12.0 | 20 | 28.8 | 8.3 | 38.4 | 6.3 |
10.0 | 30.0 | 8.0 | - | - | 9.0 | 26.7 | 15.0 | 16.0 | 18.8 | 12.8 | 45.0 | 5.3 | 60.0 | 4.0 | |
16.0 | 48.0 | 5.0 | - | - | 14.4 | 16.7 | 24.0 | 10.0 | 30.0 | 8 | 72.0 | 3.3 | 96.0 | 2.5 | |
25.0 | 75.0 | 3.2 | - | - | 22.5 | 10.7 | 37.5 | 6.4 | 46.9 | 5.1 | 112.5 | 2.1 | 150.0 | 1.6 | |
40.0 | 120.0 | 2.0 | - | - | 36.0 | 6.7 | 60.0 | 4.0 | 75.0 | 3.2 | 180.0 | 1.3 | 240.0 | 1.0 | |
32x/23 | 6.4 | 20.5 | 12.5 | - | - | 6.1 | 41.7 | 10.2 | 25.0 | 12.8 | 20 | 30.7 | 8.3 | 41.0 | 6.3 |
10.0 | 32.0 | 8.0 | - | - | 9.6 | 26.7 | 16.0 | 16.0 | 20.0 | 12.8 | 48.0 | 5.3 | 64.0 | 4.0 | |
16.0 | 51.2 | 5.0 | - | - | 15.4 | 16.7 | 25.6 | 10.0 | 32.0 | 8 | 76.8 | 3.3 | 102.4 | 2.5 | |
25.0 | 80.0 | 3.2 | - | - | 24.0 | 10.7 | 40.0 | 6.4 | 50.0 | 5.1 | 120.0 | 2.1 | 160.0 | 1.6 | |
40.0 | 128.0 | 2.0 | - | - | 38.4 | 6.7 | 64.0 | 4.0 | 80.0 | 3.2 | 192.0 | 1.3 | 256.0 | 1.0 | |
K-700体视显微镜光学参数
目镜 | 倍率档位 | 标准物镜1.0x | 平场物镜1.0x | 附加物镜(配标准1x大物镜使用) | |||||||||||
0.3x | 0.5x | 0.625x | 1.5x | 2x | |||||||||||
工作距离89mm | 工作距离110mm | 工作距离240mm | 工作距离150mm | 工作距离115mm | 工作距离42mm | 工作距离24mm | |||||||||
标称倍率 | 总放大倍率(x) | 视场直径(mm) | 总放大倍率(x) | 视场直径(mm) | 总放大倍率(x) | 视场直径(mm) | 总放大倍率(x) | 视场直径(mm) | 总放大倍率(x) | 视场直径(mm) | 总放大倍率(x) | 视场直径(mm) | 总放大倍率(x) | 视场直径(mm) | |
5x/23 | 6.0 | 3.0 | 38.3 | - | - | 0.9 | 127.8 | 1.5 | 76.7 | 1.9 | 61.3 | 4.5 | 25.6 | 6.0 | 19.2 |
10.0 | 5.0 | 23.0 | - | - | 1.5 | 76.7 | 2.5 | 46.0 | 3.1 | 36.8 | 7.5 | 15.3 | 10.0 | 11.5 | |
20.0 | 10 | 11.5 | - | - | 3.0 | 38.3 | 5.0 | 23.0 | 6.3 | 18.4 | 15.0 | 7.7 | 20.0 | 5.8 | |
31.0 | 15.5 | 7.4 | - | - | 4.7 | 24.7 | 7.8 | 14.8 | 9.7 | 11.9 | 23.3 | 4.9 | 31.0 | 3.7 | |
6.25x/23 | 6.0 | 3.8 | 38.3 | - | - | 1.1 | 127.8 | 1.9 | 76.7 | 2.3 | 61.3 | 5.6 | 25.6 | 7.5 | 19.2 |
10.0 | 6.3 | 23.0 | - | - | 1.9 | 76.7 | 3.1 | 46.0 | 3.9 | 36.8 | 9.4 | 15.3 | 12.5 | 11.5 | |
20.0 | 12.5 | 11.5 | - | - | 3.8 | 38.3 | 6.3 | 23.0 | 7.8 | 18.4 | 18.8 | 7.7 | 25.0 | 5.8 | |
31.0 | 19.4 | 7.4 | - | - | 5.8 | 24.7 | 9.7 | 14.8 | 12.1 | 11.9 | 29.1 | 4.9 | 38.8 | 3.7 | |
10x/23 | 6.0 | 6.1 | 38.3 | - | - | 1.8 | 127.8 | 3.0 | 76.7 | 3.8 | 61.3 | 9.0 | 25.6 | 12.0 | 19.2 |
10.0 | 10.0 | 23.0 | - | - | 3.0 | 76.7 | 5.0 | 46.0 | 6.3 | 36.8 | 15.0 | 15.3 | 20.0 | 11.5 | |
20.0 | 20.0 | 11.5 | - | - | 6.0 | 38.3 | 10.0 | 23.0 | 12.5 | 18.4 | 30.0 | 7.7 | 40.0 | 5.8 | |
31.0 | 31.0 | 7.4 | - | - | 9.3 | 24.7 | 15.5 | 14.8 | 19.4 | 11.9 | 46.5 | 4.9 | 62.0 | 3.7 | |
15x/23 | 6.0 | 9.0 | 28.3 | - | - | 2.7 | 94.4 | 4.5 | 56.7 | 5.6 | 45.3 | 13.5 | 18.9 | 18.0 | 14.2 |
10.0 | 15.0 | 17.0 | - | - | 4.5 | 56.7 | 7.5 | 34.0 | 9.4 | 27.2 | 22.5 | 11.3 | 30.0 | 8.5 | |
20.0 | 30.0 | 8.5 | - | - | 9.0 | 28.3 | 15.0 | 17.0 | 18.8 | 13.6 | 45.0 | 5.7 | 60.0 | 4.3 | |
31.0 | 46.5 | 5.5 | - | - | 14.0 | 18.3 | 23.3 | 11.0 | 29.1 | 8.8 | 69.8 | 3.7 | 93.0 | 2.7 | |
20x/23 | 6.0 | 12.0 | 21.7 | - | - | 36.0 | 72.2 | 6.0 | 43.3 | 7.5 | 34.7 | 18.0 | 14.4 | 24.0 | 10.8 |
10.0 | 20.0 | 13.0 | - | - | 6.0 | 43.3 | 10.0 | 26.0 | 12.5 | 20.8 | 30.0 | 8.7 | 40.0 | 6.5 | |
20.0 | 40.0 | 6.5 | - | - | 12.0 | 17.3 | 20.0 | 13.0 | 25.0 | 10.4 | 60.0 | 4.3 | 80.0 | 3.3 | |
31.0 | 62.0 | 4.2 | - | - | 18.6 | 14.0 | 31 | 8.4 | 38.8 | 6.7 | 93.0 | 2.8 | 124.0 | 2.1 | |
30x/23 | 6.0 | 18.0 | 13.3 | - | - | 5.4 | 44.4 | 9.0 | 26.7 | 11.3 | 21.3 | 27.0 | 8.9 | 36.0 | 6.7 |
10.0 | 30.0 | 8.0 | - | - | 9.0 | 26.7 | 15.0 | 16.0 | 18.8 | 12.8 | 45.0 | 5.3 | 60.0 | 4.0 | |
20.0 | 60.0 | 4.0 | - | - | 18.0 | 13.3 | 30.0 | 8.0 | 37.5 | 6.4 | 90.0 | 2.7 | 120.0 | 2.0 | |
31.0 | 93.0 | 2.6 | - | - | 27.9 | 8.6 | 46.5 | 5.2 | 58.1 | 4.1 | 139.5 | 1.7 | 186.0 | 1.3 | |
32x/23 | 6.0 | 19.2 | 13.3 | - | - | 5.8 | 44.4 | 9.6 | 26.7 | 12.0 | 21.3 | 28.8 | 8.9 | 38.4 | 6.7 |
10.0 | 32.0 | 8.0 | - | - | 9.6 | 26.7 | 16.0 | 16.0 | 20.0 | 12.8 | 48.0 | 5.3 | 64.0 | 4.0 | |
20.0 | 64.0 | 4.0 | - | - | 19.2 | 13.3 | 32.0 | 8.0 | 40.0 | 6.4 | 96.0 | 2.7 | 128.0 | 2.0 | |
31.0 | 99.2 | 2.6 | - | - | 29.8 | 8.6 | 49.6 | 5.2 | 62.0 | 4.1 | 148.8 | 1.7 | 198.4 | 1.3 | |


微信二维码
网站二维码